W obniżających przekształtnikach prądu stałego
napięcie wejściowe jest doprowadzane do odbiornika za pomocą cyklicznie
załączanego i wyłączanego zaworu półprzewodnikowego w pełni sterowalnego.
Najczęściej spotykanymi w praktyce obciążeniami są odbiorniki typu RLE (maszyna
prądu stałego) i układy z wyjściowym filtrem indukcyjno-pojemnościowym LC (zasilanie
falowników napięcia). W obu tych przypadkach, ze względu na występowanie
indukcyjności obciążenia, konieczne jest zastosowanie diody rozładowczej D0,
zwanej także diodą zerową.

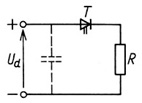
Przekształtnik prądu stałego obniżający napięcie:
a) schemat układu przy obciążeniu RLE;
b) obciążenie z filtrem wyjściowym LC;
c) przebiegi czasowe sygnału sterującego T oraz napięć i prądów przekształtnika;
d) uproszczone przebiegi czasowe napięć i prądów przekształtnika przy
pominięciu rezystancji odbiornika
Załączenie
zaworu sterowanego T (może to być dowolny ppm w pełni sterowalny)
powoduje pojawienie się na odbiorniku napięcia równego napięciu zasilania Ud,
pomijając niewielki jego spadek na przewodzącym zaworze. Przy wyłączonym
zaworze sterowanym napięcie na zaciskach odbiornika jest równe zeru, a prąd
odbiornika płynie przez diodę rozładowczą.
Średnia wartość napięcia na odbiorniku Uo zależy od iloczynu
czasu przewodzenia prądu tp przez zawór sterowany i
częstotliwości przełączeń f równej odwrotności okresu przełączeń Ti
Uo = Ud tp f = Ud
tp / Ti
Średnią
wartość napięcia wyjściowego przekształtnika obniżającego napięcie, przy stałej
wartości napięcia zasilania Ud, można regulować zmianą
stosunku tp / Ti. Stosuje się przy tym dwie
podstawowe metody. Pierwsza z nich, najczęściej spotykana, polega na zmianie
czasu przewodzenia tp zaworu sterowanego, przy tym samym
okresie przełączeń Ti. Druga metoda polega na zmianie
częstotliwości przełączeń f przy zachowaniu tej samej wartości czasu
przewodzenia zaworu tp. W obu przypadkach średnia wartość
napięcia wyjściowego jest zawsze mniejsza od napięcia źródła zasilania.
Przebieg prądu odbiornika rezystancyjno-indukcyjnego przedstawiono na rys.c. W
trakcie przewodzenia zaworu T prąd odbiornika wzrasta wykładniczo od
wartości Io1 do Io2. Po jego wyłączeniu
maleje, także zgodnie z krzywą wykładniczą, do wartości Io1.
Prąd odbiornika ma charakter ciągły. W przypadku obciążenia zawierającego
źródło napięcia prąd odbiornika może mieć również przebieg impulsowy, co jest
na ogół niepożądane. Zjawisko to można ograniczyć włączając w szereg z
odbiornikiem dodatkowy dławik.
Oprócz dwóch wymienionych sposobów regulacji napięcia i prądu odbiornika
stosuje się także dwustanową regulację prądu. Realizuje się ją w układzie
automatycznej regulacji, którego głównym członem jest komparator z histerezą

Dwustanowa regulacja prądu w układzie z przekształtnikiem
obniżającym napięcie:
a) schemat układu; b) przebieg czasowy prądu odbiornika;
c) zależność względnej częstotliwości łączeń od względnego napięcia odbiornika
Wartością
zadaną jest wartość średnia prądu odbiornika Ioz, a o stanie
pracy zaworu sterowanego decyduje różnica pomiędzy Ioz i
wartością chwilową prądu odbiornika io, mierzoną za pomocą
czujnika prądu PP.
Omawiane do tej pory układy charakteryzuje występowanie dużych tętnień prądu
pobieranego ze źródła zasilania oraz napięcia i prądu odbiornika. W celu ich
zmniejszenia stosuje się przekształtniki wielopulsowe złożone z połączonych
równolegle kilku przekształtników jednopulsowych o przebiegach napięć
wyjściowych wzajemnie przesuniętych w fazie . Połączenie równoległe wymaga
zastosowania dławików wyrównawczych.

Dwupulsowy przekształtnik obniżający napięcie:
a) schemat układu; b) przebiegi czasowe napięć wyjściowych
Przekształtniki obniżające napięcie są stosowane
najczęściej do zasilania obcowzbudnych i szeregowych silników prądu stałego
(np. napędy trakcyjne). Sama struktura tych przekształtników bywa także
wykorzystywana do impulsowego sterowania rezystancją.

Zmieniając
wartość czasu przewodzenia tp zaworu sterowanego T
można uzyskać efekt zbliżony do takiego, jaki wystąpiłby w przypadku rezystora
o regulowanej rezystancji wynoszącej
Rz
= R Ti / tp